Смартсенс

Создаем технологии для обучения

+ 7(993)579-08-05

Адрес электронной почты защищен от спам-ботов. Для просмотра адреса в браузере должен быть включен Javascript.

+ 7(993)579-08-05

Адрес электронной почты защищен от спам-ботов. Для просмотра адреса в браузере должен быть включен Javascript.

Разработка систем технической подготовки в области механики сплошных сред

Техническая подготовка в области механики сплошных сред

В связи с растущими исследованиями материалов промышленного применения мы сталкиваемся со все более сложными методами и процедурами испытаний в таких отраслях, как автомобилестроение, инфраструктура и производство. По этой причине техникам и инженерам требуется современная и адаптированная техническая подготовка, которая может помочь им понять основы, на которых основаны эти методы.

 

В ответ на этот спрос EDIBON разработала модуль EFO, применяемый в области прочности материалов и ориентированный на изучение механики сплошной среды с помощью фотоупругости. Этот метод фокусируется на анализе напряжений и деформаций, а также их распределения и направления в системах, подверженных внешним нагрузкам. С этой целью данное подразделение включает серию плоских моделей, изготовленных из материалов с характерными оптическими свойствами. При приложении внешних нагрузок эти свойства делают видимым ряд изохроматических полос на моделях, характер формирования которых тесно связан с испытываемым напряженным состоянием. Следовательно, мы можем с первого взгляда проследить распределение напряжений на модели и доказать хорошо известные теоретические принципы (принцип Сен-Венана, закон Навье и многое другое).

Рисунок 1. Установка EFO с плоской испытательной моделью, в которой можно наблюдать изохроматические линии в результате напряженного состояния в модели.

Аналогично, блоки EFOX (блок фотоупругости с системой тензометрических измерений) и EFOV (блок фотоупругости с системой искусственного зрения) представлены как варианты EFO (блока фотоупругости). Первое включает в себя тестирование моделей, оснащенных тензодатчиками, которые позволяют определять механические свойства материалов (модуль Юнга, коэффициент Пуассона и многое другое). Второй блок также включает камеру высокого разрешения для получения изображений и датчики для измерения приложенных сил и деформаций. Таким образом, мы можем изучать напряженное состояние тестируемых моделей как на основе данных, полученных датчиками, так и на основе спектрального анализа изохроматических и изоклинных линий, наблюдаемых на изображениях, полученных камерой.

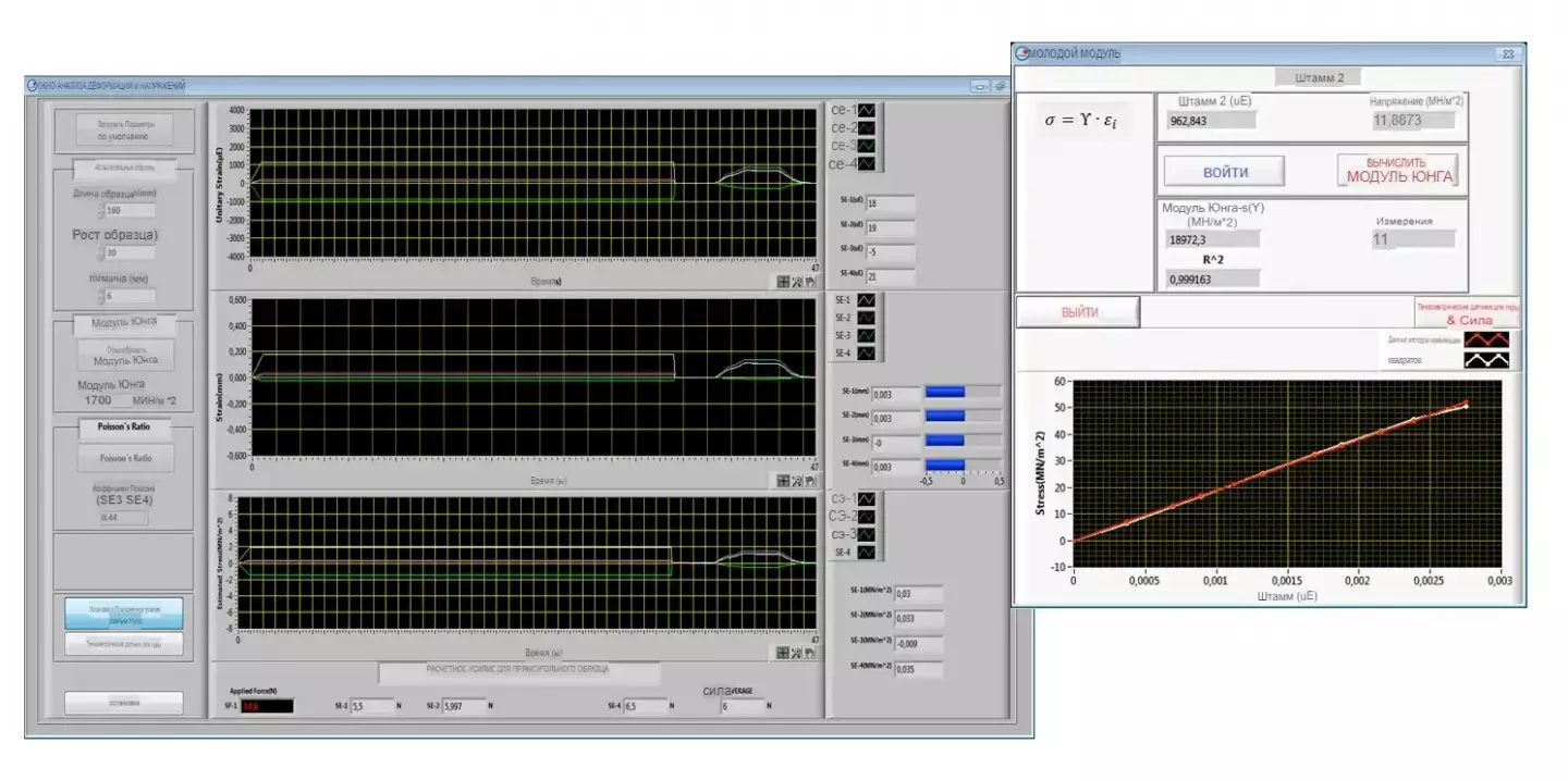
Рисунок 2. Программное обеспечение SCADA определяет механические свойства на основе полученных данных (модуль Юнга)

Мы можем снабдить эти устройства программным обеспечением SCADA, разработанным с помощью LabVIEW, а также высокопроизводительными многофункциональными устройствами DAQ с низкой задержкой, такими как PCIe-6321. Благодаря этим технологиям мы можем непрерывно измерять значения сил, напряжений и деформаций. Мы используем программное обеспечение NI Vision для обработки изображений, точно получая множественные результаты, связанные с изучением изохроматических полос, показанных на моделях.

Рисунок 3. Программное обеспечение SCADA для спектрального анализа изохроматических полос, наблюдаемых в тестируемых моделях

Все модули включают в себя два дополнительных пакета программного обеспечения: программное обеспечение для интерактивного компьютерного обучения (ICAI) и ELK (Инструментарий механики).

 

Мы можем использовать программное обеспечение ICAI для выполнения практических упражнений и тестов с установками, оценки пользователей, получения статистических результатов об их прогрессе и многого другого.

 

Мы можем использовать ELK software development kit для практического начала работы с LabVIEW, имея доступ к исходному коду приложений для этих модулей и расширяя их функции. В результате создаются настраиваемые SCADA-системы, которые помогают пользователям лучше понимать устройства и использовать их.

Рисунок 4(а). Программное обеспечение интерактивного компьютерного обучения (ICAI) в области механики

Рисунок 4(b). Механический инструментарий набора для разработки программного обеспечения на базе LabVIEW (ELK).